Rated Current 80A Directe
MID Certificatus
Princeps Accuracy Class C
35mm DIN Rail Mounted
Pulsus output
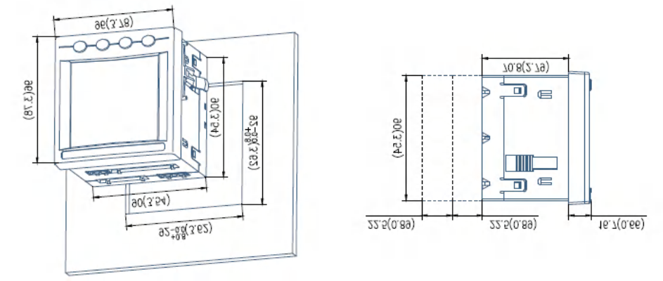
4 Moduli 72mm Width
Pro IoT Energy Management, Factory, School
Verum RMS Mensurae
THD with 63rd Harmonics
K-Factor et Crest Factor
Unbalance & Phase Anglorum
Petit et Multi-Tarif navitas
Max / Min Log cum Timestamp
+86-18702106858 / +86-21-69156352
APM810 est 0.2S-classis tres phase AC multifunctionis panel metri metrorum machinator energiae vigilantiae, potentiae qualitatis diagnosticae et tenentis sub-exosculationis in industrialis, commercialis et centri notitiarum commutationes machinatorum. De compacto 96×96 mm DIN clausurae exercituum color TFT tangendi screen ostendens veram RMS intentionem ad 690 V, current, frequentiam, vim activam/reactivam/apparens, PF, postulant harmonica ad 63rd, THD et quattuor-quadrantes kWh/kvarh. Dual RS485 Modbus-RTU, Ethernet TCP/IP, BACnet/IP, SNMP et libitum Wi-Fi/LoRa inconsutilem BMS/EMS integrationem tradet, dum 4 MB invehuntur tabulae memoriae 12-mensis onera perfiles pro audito energiae. Configurabiles super/sub intentione, currente, PF et terroribus harmonicis Nullam outputationes vel digitales inputationes pellunt ut dolor ruptor coerceat; pulsus, SOE et omisso TOU registra adiuvant utilitatem AMI, reticularium metrorum et EV applicationum solarum. Lata 3×57.7-690 V, 0.001-10 A directa vel CT/VT connexio plusquam probatio-probationis obsignationis apta quaelibet callidi vel micro- euismod instruere..
| Technical Parameters | Precium | |||
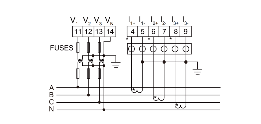
| Input | Connection | Unum tempus-2-filum, 3-phase-3-filum, 3-phase-4-filum | ||
| Frequency | 45-65Hz | |||
| Voltage | Rating: | |||
| unius paschae AC 100V、400V | ||||
| Tres phase: AC 3×57.7V/100V(100V) 、3×220V/380V(400V) 、3×380V/660V(660V)(96 magnitudo) | ||||
| ONERO: 1.2 ovile rating {continuum) : 2 ovile rating pro 1 secundo | ||||
| Potentia consummatio:< 0.5VA | ||||
| Current | Rating: AC IA、5A | |||
| ONERO: 1.2 ovile rating (continuum); 10fold rating pro I secundo | ||||
| Potentia consummatio:< 0.5VA | ||||
| Output | Energia electrica | Output mode: open-collector photo-coupler pulsus | ||
| Pulsus constant: 10000imp/kWh(stare) ,see wiring diagram for details | ||||
| Communicationis | RS485port, Modbus -RTU protocol, DLT645 protocollum (versiones 07 et 97) | |||
| baud rate 1200 ~ 38400 | ||||
| Munus | Switching input | Arida contactus input, copia in potentia aedificata; si exemplar est KA, est AC 220V activum. | ||
| Switching output | Modus output: Nullam normaliter aperta contactus output | |||
| Facultas contactus: AC 250V/3A、 DC 30V/3A | ||||
| Analog output | 4 - 20mA | |||
| Sagaciter classis | Frequentia:0.05Hz, Current、 Voltage: 0.2 classis, potentia Reactiva: l .0class, Reactiva vis Electrica: l .0class, potentia activa: 0.5class, activa energia electrica: 0.5class, 2-31th mensurae harmonicae:±1% | |||
| Potentia copia | AC/DC 85-265V vel DC24V(±20%)or DC48V(±20%) | |||
| potentia consumption≤10VA | ||||
| Securitas | Potestas frequentiae sustinere voltage | Inter Potestatem copiam // Commutatio Output Current Input// intentione Input et Transmittendi // Communicatio // Pulse Output // switching input AC 2 kV 1min; | ||
| Inter Power、switching output、Current Input、voltage Input AC 2 kV 1min; | ||||
| Inter TransmittendiCommunication、 Pulsus Output、switching input AC 1kV 1 min; | ||||
| Nulla resistentia | Input、Output finem machinae clausurae> 100MΩ | |||
| Environment | Temperature | opus: -25°C~ 65°C repono: -40°C ~ 80°C | ||
| Umor | ≤93% RH Non densans | |||
| altitudo | ≤2500m | |||
Power Cras SOLUTIO
Anno MMIII condita, Acrel Co., Ltd. 【Numerus Numerus Inscriptionis: 300286.SZ】 est societas technologiae provectae specializata in solutionibus administrationis energiae et securitate electrica. Sede principali Shanghaii sita, Acrel offert solutiones innovativas et sustinabiles pro efficientia energiae microretium et securitate electrica. Cum plus quam 600 patentibus et iure auctoris programmatum, Acrel plus quam 28,000 solutiones systematum toto orbe terrarum disposuit, architecturam interretialem energiae "nubis-marginis-finis" comprehensivam formans.
Acrel Co., Ltd. est Venditor Sinensis AC Three Phase Programmable Panel Mounted Energy Meter Fabricatores et AC Three Phase Programmable Panel Mounted Energy Meter Officina. Oecosystema producti integratum Acrel a programmatibus suggestus nubis ad partes usoris finalis extenditur, sectores ut energiam, energiam renovabilem, centra datorum, aedificia callidae, vecturam, et urbes callidae comprehendens. Hae solutiones administrationem energiae callidae et in tempore reali efficiunt, securitatem energiae augentes et sumptus operationales minuentes. Offerimus... AC Three Phase Programmable Panel Mounted Energy Meter venale.
Officina productionis societatis, Jiangsu Acrel Electric Manufacturing Co., Ltd., normas qualitatis et praecepta environmentalia strictas observat, cum centris probationum provectis et dedicatione ad processus productionis sine plumbo. Turma Acrel, plus quam quingentorum ingeniariorum, systemata efficaciae energiae novissima et solutiones energiae callidas praebet.
Acrel, praesentia domestica valida, active se internationaliter expandit, sustentata reti globali venditionum et technicarum turmarum et suggestu electronico mercatorio quod experientias servitii sine interruptione toto orbe terrarum praestat. Acrel superba est adiuvare negotia ut efficientiam augeant, consumptionem minuant, et proposita sustinebilitatis consequantur.
Una, futurum sapientius et viridius aedificamus.
Patenta Auctorizata
0+Numerus Clientium Servitorum
0+Summa Operariorum
0+Basis Fabricationis
0m²Gratam coniungere In contextu celeritatis progressionis novae industriae industriae, missiones tales commercial et industriae industria repono , altilium permutando statio et familia photovoltaic-repono systemata posui superiores postulationes accurate, convenient...
Plura LegeIndustria Maecenas et Application momentum Busbars ut spinae systemata electrici distributionis in industriis vagantibus switchgear, industriae impulsus, renovationis inverters energiae, systemata energia reposita (BESS), et electricum electronicarum potentiae vehiculum electricum servent. Cum...
Plura LegeIndustria Maecenas et Application momentum Celeris adoptionis vehiculorum electricorum (EVs) novas infrastructuras requisita agit in ambitibus multi-tenentibus residentialibus ut complexa diaetarum, aedificia mixta, et multi-familiae habitationi. Dissimiles singulae familiae domos, conclavia t...
Plura Lege