Applicationem Acrel Medicae IT Ratio in Hospitalibus Malaysianis
Home / Projects / Hospitalis / Applicationem Acrel Medicae IT Ratio in Hospitalibus Malaysianis

Applicationem Acrel Medicae IT Ratio in Hospitalibus Malaysianis

Crescente usu instrumentorum medicorum electronicorum in nosocomiis, periculum lacus currentis infert minas significantes ad salutem patientis, praesertim in cura critica ambitus. In processibus chirurgicis vel anesthesiis, aegroti directe coniunguntur variis electrodes et sensoriis. Etiam cursus lacus minimi impetum electricum causare possunt cum medicinae cogitationes in directo contactu cum corpore humano sunt.

Praeterea, subsidia vitae instrumentorum ad aegros criticos male operandi continuam conservationem praestare debent. Quaevis potentia interrumpentibus statim in discrimen adducitur. Ideo, valetudinarium electricum systematum electricum signis nationalibus stricte obtemperare debet, IT potentiam supplendi systemata in locis designatis fovendo.

Hoc casu studium demonstrat applicationem virtutis medicinae solitariae Acrel copiae systematis in Malaysia, featurandi:

Medical IT distribution power

Nulla magna machinas

Culpa locus systemata

Contact Us
  • Project Overview
  • Project Overview
    Malaysia I.E.D sita est in SELANGOR DARUL EHSAN, exertus maxime usus est in hospitali in Malaysia insula, producta usus est pro 12 ambitu insulationis culpae locus pro 3 ponit valetudinarium solitarium systematis, actis productorum sunt insulationis monitoris fabrica AIM-M200, signo generantis ASG150, centralised terroris indicatarum AID150.66-A.H.h.h. culpa locatoris AIL150-4 et ultrices transformatio .


    Medical IT Ratio Introductio
    ACREL medicinae IT systema velit magnae machinae et culpae ratio loci operandi locus hospitalis, ICU (CCU) et aliis momenti locis aptus est, et locum tutum tam continuae, certae virtutis solutiones praebere potest.


    Potentia Supple Solutio pro Medical Locations
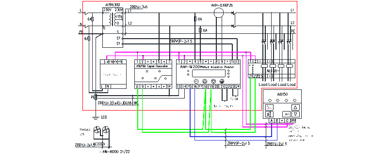
    ICU, CCU Solutiones Distributio (GGF-I8G arcae electricae systematis diagram segregans, exempli gratia)


    Option I sine culpa locus functionis


    Option II with fault location function

    NOTE: In potestate distributionis solutiones intensivae curae unitatis, adiutorium series centralised terroris et fabricae ostentationis institui debet in statione nutricum, baculus valetudinarii stationis nutricum monitores status operantis uniuscuiusque potentiae solitariae.


    Operating Room Distributio Solutiones (GGF-O8G arcae electrica systema diagram segregans, exempli gratia)

    Option I without velit culpa location function


    Option II with velit culpa location function

    1. In cella potentiae solutionum distributio operativa, series externi terroris et instrumentorum ostentorum institui debet in tabulis intelligentiae intra cubiculum operantem, vel iuxta tabulam intelligentiae (instructio parietis inclusi). In chirurgia, baculus medicinae monitores sanitatis solitariae virtutis systema.

    2. In schemate velitatione culpae locus functionis, si numerus canalium sitorum plus quam octo, duae copiae AIL150 locatores adhiberi possunt. Compositum esse potest AIL150-8 et AIL150-4 (usque ad 12 canales) vel AIL150-8 et AIL150-8 (usque ad 16 canales).

    3. Typicam wiring tabula






    4. Introductio 7-Pice Medical IT

    Product nomen et genus Product picture Descriptio
    AITR series medicinalis transformer solitudo AITR series solitudo transformator proprie in systematibus medici IT systematis adhibetur. Anfractus duplici insulatione tractantur et tabulatum protegens electrostatic habent, quod impedimentum electromagneticum inter ambages reducit. Sensorem temperatus PT100 in peram filum installatur ad monitor temperatus transformantis. Totum corpus incursu vacuum pingere curatur, qui mechanica vi et corrosione resistentia auget. Productum habet bonam temperiem ortus effectus et strepitus nimis humilis.
    AIM-M200 Nulla adipiscing intelligentes medici instrumenti AIM-M200 medicinae instrumenti magnae insulationis itelligent, progressus technologiam microcontrollerum adoptat, quae altam integrationem, magnitudinem compactam, institutionem convenientem et intelligentiam, digitalizationem et networking in unum habet. Est specimen delectu ad insulationem vigilantiam systematum solitarum potentiarum in Classis II locorum medicorum ut locus operandi et augendi curas augendi.
    AKH-0.66P26 commutator current AKH-O 66P26 genus commutatoris currentis est tutelaris commutatoris currentis monitoris insulationis AIM-M200 sustinens, cuius maxima mensura mensurabilis est 60A et ratio transformationis est 2000:1. Praesens transformator directe intra scrinium intorto figitur, et secundarium latus terminatio educitur, qui ad institutionem et usum accommodatus est.
    AIL150-4/AIL150-8 velit culpa locator AIL150-4/AIL150-8 velit culpa locator adopts high sensitivity transformer combined with a high precision signal detecting circuit, which detects the signal imported into the system from the ASG150 test signal generator and accurately locates the circuits which have insulation faults. AIL150-4 insulation fault locator can locate the insulation faults of 4 circuits, and the AIL150-8 insulation fault locator can locate the insulation faults of 8 circuits.
    ASG150 test signum generantis ASG150 signum generantis expertus asciscit microprocessoris chip et summus praecisio signum generationis in circuitu ad cognoscendum generationem specificae signum examinis. Cum monitored IT ratio vitia velit habet, incipere potest et signum in tempore producere, operando cum culpa insulation locato ut culpae locus velit cognoscere.
    HDR-60-24 potentia moduli HDR-60-24 potentiae directae-currentis copiae 24V DC potestatem eodem tempore praebere possunt pro AIM-M200
    medicinae intelligentes velit magna instrumentum, ASG150 test signum generantis, AIL150 series insulationis culpa locatoris et AID150 centralised terror et instrumentum ostentationis. Potestas copia est altae capacitatis, stabilis voltage output, et institutionem opportunam, quae potentia copia requisita praedictorum metrorum occurrere potest et est potentia copia uber commendata.
    AID1 50 centralised terror et instrumenti ostentus AID150 centralised terror et instrumentum ostentationis liquidae crystalli LCD ostensionem adoptat ac notitiarum commercium cum AIM-M200 medici intelligentes instrumenti magnae instrumenti per communicationem RS485 perveniunt, quod realis tempus monitor multi-canalis notitiarum AIM-M200 medicinae intelligentis instrumentum magnae insulationis efficit.

    De-site imaginibus



Acrel Co., Ltd.