Gratam coniungere
In contextu celeritatis progressionis novae industriae industriae, missiones tales commercial et industriae industria repono , altilium permutando statio et familia photovoltaic-repono systemata posui superiores postulationes accurate, convenientia et intelligentia of * electricity metering . Acrel Electric plenam amplitudinem novarum industriarum solutionum instrumentorum sustinentium processit. Hae solutiones usu destinatae sunt ad nucleum requisita diversarum applicationis missionum, necessitates metrorum obtegentes ab applicationibus familiarum potentum ad magnas scalas industrialis et commercialis energiae systemata reponendi. Solutiones certae subsidii praebent ad operationem stabilem et accuratam metrorum novarum systematum energiae.
Residentiales photovoltaicae et industriae repositae magnum applicationem missionis exhibent pro popularizatione novarum energiae. Acrel instrumentum elaboravit valde compatible products targeting sub-scenarios diversis, comprehendo industria repono inverter adaptare, integratio inverti hybrida, SOLARIUM systematum reponendi photovoltaicum, punctum repositionis energiae parvae systematis transmissionis pellucidis ad punctum-ad-punctum . Producta haec integrationem librant, celeritatem mensurationis, flexibilitatem communicationis.
In responsione ad notas multi-brandi compatibilitatis in systematibus photovoltaicis et energiae repositionis, RS485 CT conformatio adoptatur ad condiciones institutionis incertas pro agentibus professionalibus accommodandis. Instrumenta certificantur cum CE-MID, UL et RCM certificationes internationales. Cum 50ms alta velocitate data recreet rate, machinas etiam assecutio commensurationem sustinent, accurate metering et validam convenientiam procurare.
Ad altam integrationem requisita omnium consiliorum invertentium in una industria repositionis et dual-alvei metrorum requisita in missionibus retrofitis, instrumenta sunt instructa intentione et obturaculis venarum terminalium et RJ45 communicationis portuum. Etiam 50ms notitias recreent rates et gradatim adaptationem reficiunt, una cum systemate certificatione comprehensivo, eas aptas reddendo missionibus tam retrofit quam novis institutionis.
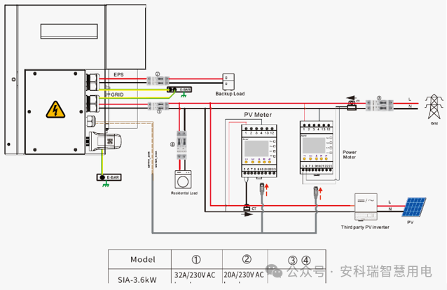
Specialiter designata pro low-potentia distributa systemata photovoltaica et industria repositionis in maenianis, haec solutio summam integrationem aequat cum institutione opportuna et committendo. Praeter dual-alveum metering et velox-obturaculum terminals , etiam sustinet WiFi, WiFi HaLow et Bluetooth debugging functiones . Consilium wireless significanter simplicificat institutionem in missionibus parvis, et productum certificationem CE-RED tenet.
Alloquar pauper penetratio et instabilis network perficientur of * traditional WiFi in micro-energy storage scenarios, WiFi HaLow Instrumentum communicationis socialis assumitur. Cum traditional WiFi comparatus, validiorem penetrationis facultatem praebet et spatium transmissionis longioris. Cum LoRa communicationis comparatus celeritatem melioris stabilitatisque praebet altiorem transmissionem. Instrumentum paternus hanc technologiam sustinet, tantum additam postulans AP in inversa parte ut wireless communicationis efficiat. Etiam unum ad unum et unum ad multa conformationem retis velocis sustinet, eamque aptam facit ad multi-invertentiam et podium systematum micro-repositionum domesticarum.
Industriae et commercialis industriae reposita, magna industria reposita, et pugna permutationis statio stricta signa in mensura accurationis requirunt, celeritatem, institutionem flexibilitatem et obsequium moderantem requirunt. Acrel praebet embedded et DIN-rail mounted instrumentum products fundatur in key requisita ut multi-omisso exosculatio, postulatio metering, anti-versa potentia fluere praesidium, ac wireless communicationem sustentans tam novas institutiones quam applicationes retrofitas.
APM521 transmarinas CSA (UL) certificationem adeptus est et energiae activae mensurae accurate usque ad 0.2s genus (D Classis) praebet. Id instructum est cum SD card repositione ad parametris electrica tempore reali. Modulus principalis unitatis expansio designationis modularis sustinet tam infixam quam DIN-rail ascendentem, occurrens diversificatam institutionem requisita in novis inceptis.
Hoc genus metri 0.5S cum CT externis, late in magnis applicationibus mos. Secundarium CT retrofitum sustinet wiring et potest directe fibulare latus secundarium currentis transformatorum currentis existendi, quod valde idoneus ad incepta retrofitia metri facit. Productum CPA, CE, UL certificationes tenet atque etiam in magna celeritate reficiendi versionem ad altum perficiendi applicationis requisita occurrere possunt.
Praeterea solutiones industriales et commerciales etiam functiones tutelae oneris integrant. Systema coniungi potest cum summa et humili intentione missionum industriarum repositionis et operari cum metris electricitatis multi- tariff ad consequi accuratam electricitatem metering sub diversis structuris tariff, praebens comprehensivam salutem et industriam administrationis subsidii industrialis et commercialis energiae systematum repositionis et pugnae permutationis.
In contextu continuarum upgrades in nova industria industriae, Acrel innovationem intendere perget et ulterius emendare novam industriam technologiae instrumenti et technologiae instrumenti sustinentis. Societas intendit providere efficaciorem, intelligentem et firmum electricity solutions metering pro energia commerciali et industriali repositione, altilium permutationum statio, ac familiae photovoltaicae applicationes repositae, adiuvans promovendam qualitatem evolutionis novae industriae industriae..
